› Zámky › Zadlabávací zámky › Vložka, klíč - Zadlabávací zámky na vložku, na klíč › Zadlabávací zámky na vložku rozteč 72 › Protipožární zadlabací zámek ISEO
Protipožární zadlabací zámek ISEO
Protipožární zadlabací zámek ISEO - Protipožární zámek ISEO
4lock291,- Kč
bez DPH: 240,24
Varianty:
kód: 380001bez DPH: 240,24
Varianty:
Pravý 291,-
Levý 291,-
do oblíbených
skladem
skladem
dopravné 78,- / zdarma od 4 000,-
garance spokojenosti
sdílejte

Zámky Zadlabávací zámky Vložka, klíč - Zadlabávací zámky na vložku, na klíč Zadlabávací zámky na vložku rozteč 72 » Protipožární zadlabací zámek ISEO
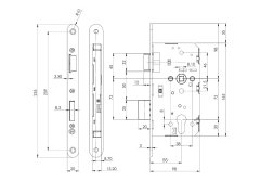
Zadlabací zámek ISEO s protipožární úpravou. Na cylindrickou vložku. Rozteč 72 mm, dorn 55 mm, čelo 20 mm. Pravý a levý.
Popis
- Protipožární zadlabací zámek na vložku
- Dvouzápadový
- Rozteč 72 mm
- Dorn 55 mm
- Čtyřhran 9 mm
- Čelo 20x235 mm
- Pravý a levý
Upřesnění parametrů pro Protipožární zadlabací zámek ISEO
Rozteč:: 72 mm
Dorn - osa vložky: 55 mm
Čelo materiál:: bílý zinek
Celkový zádlab: 98 mm
Způsob zavírání:: vložka
Čtyřhran:: 8 mm
Výrobce zámku:: Iseo
Šíře čela:: 22 mm
Provedení:: střelka
Protipožár ano/ne:: ano
Protipožární zadlabací zámek ISEO
Také Vás může u Protipožární zadlabací zámek ISEO zajímat:
zpět na další Zadlabávací zámky na vložku rozteč 72
- Visací zámky
- Zámky
- Zámky povrchové rustikální
- Zadlabávací zámky
- Přídavné zámky
- Přídavné zámky rozvorové
- Lištové - vícebodové zámky
- Zámky na posuvné dveře
- Příslušenství zámky, plechy
- Cylindrické vložky
- Panikové zámky a kování
- Mincovní zámky



